Trang chủ » Cảm biến nhiệt độ không dây thông minh SPS062CY
Cảm biến nhiệt độ không dây thông minh SPS062CY
Giá ưu đãi:
đ
Giá cũ:
đ
Tình trạng:Còn hàng
8,437,000 ₫6,537,000 ₫
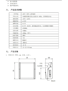
Để giải quyết các mối nguy hiểm tiềm ẩn của việc nhiệt độ tăng quá mức và các lỗi khó phát hiện do vật liệu bị lão hóa, tiếp xúc kém, quá tải dòng điện và các yếu tố khác tại các điểm tiếp xúc của thiết bị điện, công ty chúng tôi đã phát triển cảm biến đo nhiệt độ không dây thông minh SPS062CY, có thể hoạt động ổn định trong thời gian dài trong trường điện từ cao, dòng điện lớn và nhiệt độ cao.